A potentiometer wire of length 100 cm has resistance of 20 ohm. It is connected in series with an external resistance and a cell of emf 2 volt and of negligible internal resistance. A source of emf 20 mV is balance against a length of 40 cm of the potentiometer wire. What is the value of external resistance?
A potentiometer wire of length 100 cm has resistance of 20 ohm. It is connected in series with an external resistance and a cell of emf 2 volt and of negligible internal resistance. A source of emf 20 mV is balance against a length of 40 cm of the potentiometer wire. What is the value of external resistance?
Option 1 - <p>790 Ω</p>
Option 2 - <p>620 Ω</p>
Option 3 - <p>780 Ω</p>
Option 4 - <p>560 Ω</p>
1 Views|Posted 6 months ago
Asked by Shiksha User
1 Answer
A
Answered by
6 months ago
Correct Option - 3
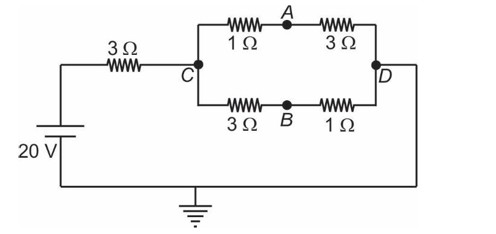
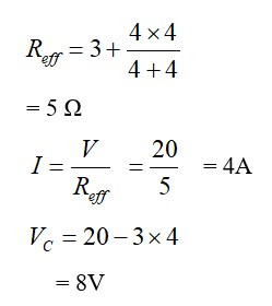
Detailed Solution:
Similar Questions for you
Ohm's law is valid if I depends on V' linearly.
Taking an Exam? Selecting a College?
Get authentic answers from experts, students and alumni that you won't find anywhere else.
On Shiksha, get access to
66K
Colleges
|
1.2K
Exams
|
6.9L
Reviews
|
1.9M
Answers
Learn more about...

Physics Current Electricity 2025
View Exam DetailsMost viewed information
SummaryDidn't find the answer you were looking for?
Search from Shiksha's 1 lakh+ Topics
or
Ask Current Students, Alumni & our Experts
Have a question related to your career & education?
or
See what others like you are asking & answering






