A current of 5A is passing through a non-linear magnesium wire of cross – section 0.04m2. At every point the direction of current density is at an angle of 60° ;with unit vector of area of cross-section. The magnitude of electric field at every point of the conductor is: (Resistivity of magnesium
A current of 5A is passing through a non-linear magnesium wire of cross – section 0.04m2. At every point the direction of current density is at an angle of 60° ;with unit vector of area of cross-section. The magnitude of electric field at every point of the conductor is: (Resistivity of magnesium
Similar Questions for you

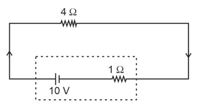
Divided into 10 parts
For uniformly charged spherical shell,
In first condition R1 = 36
In second condition R2 = 18
So
x = 4
Taking an Exam? Selecting a College?
Get authentic answers from experts, students and alumni that you won't find anywhere else.
On Shiksha, get access to
Learn more about...

Physics Current Electricity 2025
View Exam DetailsMost viewed information
SummaryDidn't find the answer you were looking for?
Search from Shiksha's 1 lakh+ Topics
Ask Current Students, Alumni & our Experts
Have a question related to your career & education?
See what others like you are asking & answering




