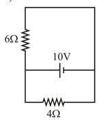
Two resistors are connected in series across a battery as shown in figure. If a voltmeter of resistance 2000 is used to measure the potential difference across 500 resister, the reading of the voltmeter will be_________ V.
Two resistors are connected in series across a battery as shown in figure. If a voltmeter of resistance 2000 is used to measure the potential difference across 500 resister, the reading of the voltmeter will be_________ V.
5 Views|Posted 9 months ago
Asked by Shiksha User
The question is closed for answering
1 Answer
P
Answered by
9 months ago
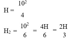
According to Kirchhoff's Law, we can write
20 + 2000I + 600 * 5I = 0
Reading of voltmeter = 2000I = 2000 *
Similar Questions for you
Ohm's law is valid if I depends on V' linearly.
Taking an Exam? Selecting a College?
Get authentic answers from experts, students and alumni that you won't find anywhere else.
On Shiksha, get access to
66K
Colleges
|
1.2K
Exams
|
6.9L
Reviews
|
1.9M
Answers
Didn't find the answer you were looking for?
Search from Shiksha's 1 lakh+ Topics
or
Ask Current Students, Alumni & our Experts
Have a question related to your career & education?
or
See what others like you are asking & answering







